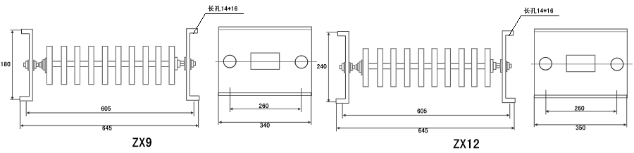
ZX9型电阻器系列适用于交流50Hz电压至660V或直流至440V的电路中,主要作电动机的起动,调速与制动作用,电阻器为开启式,其额定发热功率为4.6KW,由铁铬铝波浪形电阻元件组成。
产品配RS,RT,RK,RQ,RP,RY,RZ起重机作为调整电阻器。
ZX12型系列电阻器其适用于交流50Hz,电压至660V及直流电压至440V的电路中,主要用作电动机的起动,调速与制动作用。
- 海拔高度不超过2500米;
- 周围介质温度不超过+40℃及不低于-30℃;
- 当+20℃±5℃时空气相对湿度不大于85%;
- 周围介质中无足以腐蚀金属和破坏绝缘及有爆炸危险的气体及导电尘埃;
- 必须有防雨雪设备并是不会充满水蒸气的地区;
- 在无剧烈震动或颠跛的地区。
 |
|